Pepperl+Fuchs Inductive sensor CCN15-30GS60-E2-V1

  • NG # 04160-HW-PEP-042

  • MF # CCN15-30GS60-E2-V1

The CCN15‑30GS60‑E2‑V1 is a non‑flush capacitive proximity sensor designed by Pepperl & Fuchs for robust object detection. It offers adjustable operating distance via a potentiometer, strong electromagnetic compatibility, and a stainless steel housing suitable for industrial environments. The sensor features a PNP output and is intended for direct current (DC) applications.

Manufactured By :
Pepperl+Fuchs
Need Help Ordering?
Call +88 01714243446

Custom Pricing

Get A Quote
Need Help Ordering?
Call +88 01714243446

Stock

Custom Pricing

Get A Quote

Overview

The CCN15‑30GS60‑E2‑V1 capacitive sensor detects conductive and non‑conductive objects without physical contact. Its non‑flush mounting design supports flexible installation, and the operating distance can be adjusted to suit specific application requirements. The compact stainless steel body provides enhanced durability and resistance to harsh conditions. This sensor is suitable for machine automation tasks where reliable presence detection of various materials is required.

Specification

General Characteristics

  • Sensor type: Capacitive proximity sensor 
  • Model: CCN15‑30GS60‑E2‑V1 
  • Installation: Non‑flush 
  • Housing material: Stainless steel 1.4305 / AISI 303 
  • Degree of protection: IP67 

Electrical Specifications

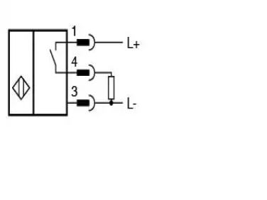
  • Output type: PNP, 3‑wire 
  • Rated operating voltage: 10 V to 60 V DC 
  • Operating current: 0 mA to 200 mA 
  • Voltage drop (Ud): ≤ 2.8 V 
  • Reverse polarity protection: Yes 
  • Short‑circuit protection: Pulsing 

Performance

  • Rated operating distance (sn): 15 mm 
  • Assured operating distance (sa): 0 … 12.1 mm 
  • Switching frequency: 0 … 10 Hz 
  • Switching function: Normally open (NO) 

Indicators and Adjustment

  • LED switching state indicator: Yellow 
  • Sensitivity adjustment: Potentiometer 

Environmental Conditions

  • Ambient operating temperature: ‑25 °C to 70 °C 
  • Storage temperature: ‑40 °C to 85 °C 
  • EMC resistance: High electromagnetic compatibility 

Mechanical

  • Connector: M12 x 1 
  • Number of pins: 4 
  • Dimensions: Length ~60 mm, Diameter ~30 mm 

Approvals

  • cULus listed, CCC certified 

Other Pepperl+Fuchs Products

Pepperl+Fuchs Laser light sensor VLE350-F280-B12-1100

Pepperl+Fuchs Industrial Tools & Accessories 02059-HW-PEPPERL-009 02059-HW-PEPPERL-009

Pepperl+Fuchs 3-D Time-of-Flight sensor VTE7500-F400-B12-A1500

Pepperl+Fuchs Industrial Tools & Accessories 02059-HW-PEPPERL-004 02059-HW-PEPPERL-004

Pepperl+Fuchs Inductive proximity sensor

Pepperl+Fuchs Industrial Tools & Accessories 2259-HW-PEP-011

Pepperl+Fuchs Inductive sensor NBB20-U1-E2

Pepperl+Fuchs Computer & Electronics 04166-HW-PEP-048

Pepperl+Fuchs Inductive proximity switch

Pepperl+Fuchs Industrial Tools & Accessories 2260-HW-PEP-012

Pepperl+Fuchs Through-beam ultrasonic barrier UBE1000-18GM40-SE2-V1

Pepperl+Fuchs Industrial Tools & Accessories 02061-HW-PEPPERL-006 02061-HW-PEPPERL-006

Pepperl + Fuchs Diffuse Photoelectric Sensor, Barrel Sensor, 0 → 300 mm Detection Range

Pepperl+Fuchs Industrial Tools & Accessories 03006-HW-PEP-026

Pepperl+Fuchs Inductive sensor NBB4-12GM50-E2-V1

Pepperl+Fuchs Computer & Electronics 04153-HW-PEP-036

Pepperl+Fuchs Inductive sensor NBB8-18GM60-A2-V1

Pepperl+Fuchs Computer & Electronics 04169-HW-PEP-051

Pepperl+Fuchs Inductive sensor NBN4-F25-E8-V1

Pepperl+Fuchs Computer & Electronics 04175-HW-PEP-057

Pepperl+Fuchs Power Hub Motherboard

Pepperl+Fuchs Computer & Electronics 26514856

Pepperl+Fuchs Inductive sensor NBN8-12GM50-E2

Pepperl+Fuchs Computer & Electronics 04178-HW-PEP-060

Valve actuator proximity switch

Pepperl+Fuchs Industrial Tools & Accessories 2261-HW-PEP-013

Pepperl+Fuchs Inductive sensor NBB20-U1-UU

Pepperl+Fuchs Computer & Electronics 04167-HW-PEP-049

Pepperl+Fuchs Inductive sensor NBN40-L2-E2-V1

Pepperl+Fuchs Computer & Electronics 04177-HW-PEP-059

Pepperl+Fuchs Fiber optic photoelectric sensor

Pepperl+Fuchs Industrial Tools & Accessories 2268-HW-PEP-020

Pepperl+Fuchs Inductive sensor NBB10-30GM50-WS

Pepperl+Fuchs Computer & Electronics 00100-HW-PEP-001 NBB10-30GM50-WS

Pepperl+Fuchs Inductive sensor NBB20-L2-A2-V1

Pepperl+Fuchs Computer & Electronics 04150-HW-PEP-033

Pepperl+Fuchs Inductive sensor NBB0,8-5GM25-E2

Pepperl+Fuchs Computer & Electronics 04161-HW-PEP-043

Pepperl+Fuchs Inductive sensor NBB15-30GM50-E2-V1

Pepperl+Fuchs Computer & Electronics 04149-HW-PEP-032

BUYERS WHO LIKED THIS PRODUCT ALSO LIKED

Veritas NetBackup 5340 - hard drive array

veritas Computer & Electronics 00004-SW-VER-001

Veritas NetBackup 5340 - hard drive array

veritas Computer & Electronics 00005-SW-VER-002

Veritas NetBackup 5340 - hard drive array

veritas Computer & Electronics 00006-SW-VER-003 20078-M4217

Emarson Box PC RXi2-XP

EMERSON Computer & Electronics 00101-HW-EMR-001 00101-HW-EMR-001

Advantech MIC-7700 Compact Fanless System with Intel Core i CPU Socket

Advantech Computer & Electronics 00102-HW-ADV-002

Modular Multi-touch Panel PC

Advantech Computer & Electronics 00107-HW-ADV-004

MITAC INTEL TIGER LAKE I3-1115G4E FANLESS INDUSTRIAL EMBEDDED SYSTEM, VPRO, TPM 2.0

MiTAC Computing Technology Computer & Electronics 00111-HW-MTC-008 00111-HW-MTC-008

MITAC MP1-11TGS TIGER LAKE I7-1185G7E FANLESS INDUSTRIAL EMBEDDED SYSTEM, VPRO, TPM 2.0

MiTAC Computing Technology Computer & Electronics 00112-HW-MTC-009 00112-HW-MTC-009

managed ethernet switch ex9200 series

Computer & Electronics 00114-HW-JI-010 00114-HW-JI-010

Juniper Networks NFX250 Network Services Platform - application accelerator

Juniper Networks Computer & Electronics 00115-HW-JI-011

Cisco Catalyst 9600 Series Networking Switch

Cisco Computer & Electronics 00116-HW-CIC-012 00116-HW-CIC-012
Your privacy

When you visit any website, it may store or retrieve information on your browser, mostly in the form of cookies. This information might be about you, your preferences or your device and is mostly used to make the site work as you expect it to. The information does not usually directly identify you, but it can give you a more personalized web experience. Because we respect your right to privacy, you can choose not to allow some types of cookies. Click on the different category headings to find out more and change our default settings. However, blocking some types of cookies may impact your experience of the site and the services we are able to offer. You can get more information by going to our Privacy Policy or Statement in the footer of the website.

Strictly necessary cookies
Always active

These cookies are necessary for the website to function and cannot be switched off in our systems. They are usually only set in response to actions made by you which amount to a request for services, such as setting your privacy preferences, logging in or filling in forms. You can set your browser to block or alert you about these cookies, but some parts of the site will not then work. These cookies do not store any personally identifiable information.

Cookies details
Performance cookies

These cookies allow us to count visits and traffic sources so we can measure and improve the performance of our site. They help us to know which pages are the most and least popular and see how visitors move around the site. Most of these cookies collect and process aggregated (anonymized) information without identifying individuals. If you do not allow these cookies we will not know when you have visited our site, and will not be able to monitor its performance.

Cookies details
Functional cookies

These cookies enable the website to provide enhanced functionality and personalisation. They may be set by us or by third party providers whose services we have added to our pages. If you do not allow these cookies then some or all of these services may not function properly.

Cookies details
Targeting cookies

These cookies may be set through our site by our advertising partners. They may be used by those companies to build a profile of your interests and show you relevant adverts on other sites. They do not store directly personal information, but are based on uniquely identifying your browser and internet device. If you do not allow these cookies, you will experience less targeted advertising.

Cookies details
Ask Query
All RFQ Product Added In Query!

Check all added RFQ in one place, hit the button to show all added RFQ.

Submit RFQ